Ruichen berada di barisan hadapan inovasi teknologi pengedap. Meterai debu tekanan tinggi yang dibangunkan secara bebas dengan tepat menambat permintaan debu-bukti yang bergerak, dan menggunakan cincin debu PTFE dan cincin O untuk mewujudkan perlindungan yang sangat baik. Apabila bekerja, O-Ring menggunakan preload yang stabil untuk mengimbangi memakai cincin PTFE pada setiap masa, memastikan kestabilan jangka panjang meterai; Cincin habuk menggunakan bahan pengisian anti-wear untuk menahan pencerobohan debu dengan kuat. Sebagai contoh, dalam sendi silinder hidraulik jentera pembinaan, menghadap habuk di tapak pembinaan, meterai debu tekanan tinggi dengan berkesan menghalang pencerobohan habuk dan memastikan operasi silinder yang lancar; Pautan ayunan salingan dari lengan robotik garis pengeluaran automatik, meterai debu melindungi bahagian ketepatan dari gangguan habuk dan mengekalkan operasi ketepatan tinggi; dan alat penyampaian lingkaran peralatan perlombongan, dalam persekitaran habuk bijih, meterai debu tekanan tinggi memastikan operasi peralatan yang stabil, mengurangkan potensi kesalahan, dan memanjangkan hayat peralatan. Pengedap Ruichen telah memberi tumpuan kepada pembangunan yang mendalam untuk masa yang lama. Bergantung pada pasukan profesional dan kemudahan canggih, ia bukan sahaja dapat menyesuaikan bahan pengedap berprestasi tinggi mengikut keperluan pelanggan dan mengawal kualiti pengeluaran secara bebas, tetapi juga menyimpan bahan-bahan yang kaya dan pelbagai seperti polioksimetilena, membantu pelanggan mengatasi pelbagai masalah pengedap dalam satu perhentian dan bekerja bersama-sama untuk mencapai ketinggian baru dalam industri.
Keadaan kerja pengedap debu
| Profil | Model | Suhu (℃) | Kelajuan (m/s) | Media |
![]() |
RCF01 | -35 ~+100 (Memadankan O-Ring NBR) | 6 | Minyak hidraulik, emulsi, air, dll. |
| -20 ~+200 (memadankan fkm o-ring) | ||||
![]() |
RCF02 | -35 ~+100 (Memadankan O-Ring NBR) | 6 | Minyak hidraulik, emulsi, air, dll. |
| -20 ~+200 (memadankan fkm o-ring) | ||||
![]() |
RCF03 | -35 ~+100 (Memadankan O-Ring NBR) | 6 | Minyak hidraulik, emulsi, air, dll. |
| -20 ~+200 (memadankan fkm o-ring) | ||||
![]() |
RCF04 | -35 ~+100 (Memadankan O-Ring NBR) | 6 | Minyak hidraulik, emulsi, air, dll. |
| -20 ~+200 (memadankan fkm o-ring) | ||||
![]() |
RCF05 | -35 ~+100 (Memadankan O-Ring NBR) | 6 | Minyak hidraulik, emulsi, air, dll. |
| -20 ~+200 (memadankan fkm o-ring) |
Contoh pesanan:
Model pesanan RCF01-80-PTFE3-R01
RCF01-Model 80-Shaft Diameter PTFE3-Universal Modified PTFE R01-Pencocokan Kod Bahan Getah
Nitrile Rubber (NBR) -R01 Fluororubber (FKM) -R02
Model pesanan RCF02-80-PTFE3-R01
RCF02-Model 80-Shaft Diameter PTFE3-Agung diubahsuai PTFER01-Pencocokan Kod Bahan Getah
NBR (NBR) -R01 Fluororubber (FKM) -R02
Model Pesanan RCFO3-80-PTFE3 -R01
RCF03-Model 80-Shaft Diameter PTFE3-Agung Modified PTFE R01-Pencocokan Kod Bahan Getah
Nitrile Rubber (NBR) -R01 Fluororubber (FKM) -R02
Model pesanan RCF04-80-PTFE3-R01
RCF04-Model 80-Shaft Diameter PTFE3-Agung Modified PTFE R01-Pencocokan Kod Bahan Getah
Nitrile Rubber (NBR) -R01 Fluororubber (FKM) -R02
Model pesanan RCF04-80-PTFE3-R01
RCF04-Model 80-Shaft Diameter PTFE3-Agung Modified PTFE R01-Pencocokan Kod Bahan Getah
Nitrile Rubber (NBR) -R01 Fluororubber (FKM) -R02
Model pesanan RCF05-80-PTFE3-R01
RCF05-Model 80-Shaft Diameter PTFE3-Agung Modified PTFE R01-Pencocokan Kod Bahan Getah
Nitrile Rubber (NBR) -R01 Fluororubber (FKM) -R02
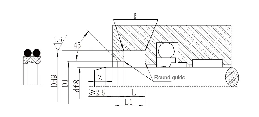
Spesifikasi:
| Spesifikasi RCF01 (produk dari sebarang saiz dalam julat parameter boleh disediakan) | ||||||
| Julat diameter aci d f8 |
Diameter alur D H9 |
Lebar alur L+0.2 |
Buka diameter lubang D1 H11 |
Lebar lubang terbuka a≥ |
Sudut bulat R≤ |
O-ring diameter dawai d0 |
| 19 ~ 39 | D+7.6 | 4.2 | D+1.5 | 3 | 0.8 | 2.65 |
| 40 ~ 69 | D+8.8 | 6.3 | D+1.5 | 3 | 0.8 | 2.65 |
| 70 ~ 139 | D+12.2 | 8.1 | D+2.0 | 4 | 0.8 | 3.55 |
| 140 ~ 399 | D+16.0 | 9.5 | D+2.5 | 5 | 1.5 | 5.30 |
| 400 ~ 649 | D+24.0 | 14 | D+2.5 | 8 | 1.5 | 7.00 |
| 650 ~ 1500 | D+27.3 | 16 | D+2.5 | 10 | 2.0 | 8.60 |
| Jadual Parameter Spesifikasi RCF02, RCF03 (produk dari sebarang saiz dalam julat parameter boleh disediakan) | ||||||
| Julat diameter aci d f8 |
Diameter alur D H9 |
Lebar alur L+0.2 |
Buka diameter lubang D1 H11 |
Lebar lubang terbuka a≥ |
Sudut bulat R≤ |
O-ring diameter dawai d0 |
| 4 ~ 11 | D+4.8 | 3.7 | D+1.5 | 2 | 0.4 | 1.8 |
| 12 ~ 64 | D+6.8 | 5 | D+1.5 | 2 | 0.7 | 2.65 |
| 65 ~ 250 | D+8.8 | 6 | D+1.5 | 3 | 1.0 | 3.55 |
| 251 ~ 420 | D+12.2 | 8.4 | D+2.0 | 4 | 1.5 | 5.30 |
| 421 ~ 650 | D+16.0 | 11 | D+2.0 | 4 | 1.5 | 7.00 |
| 651 ~ 1500 | D+20.0 | 14 | D+2.5 | 5 | 2.0 | 8.60 |
| Jadual Parameter Spesifikasi RCF04 (produk dari sebarang saiz dalam julat parameter boleh disediakan) | ||||||
| Julat diameter aci d f8 |
Diameter alur DH9 |
Diameter langkah D1 H11 |
Lebar alur L+0.2 |
Lebar keseluruhan L1 |
Sudut bulat Rmax | Panjang chamfer Zmin |
| 20 ~ 39.9 | D+7.6 | D+1 | 4.2 | 8.2 | 0.4 | 3 |
| 40 ~ 69.9 | D+8.8 | D+1.5 | 6.3 | 10.3 | 1.2 | 4 |
| 70 ~ 139.9 | D+12.2 | D+2.0 | 8.1 | 12.1 | 2 | 6 |
| 140 ~ 399.9 | D+16.0 | D+2.0 | 11.5 | 15.5 | 2 | 8 |
| 400 ~ 649.9 | D+24.0 | D+2.5 | 15.5 | 19.5 | 2 | 10 |
| 650 ~ 1000 | D+27.3 | D+2.5 | 18.0 | 23.0 | 2 | 12 |
| Jadual Parameter Spesifikasi RCF05 (produk dari sebarang saiz dalam julat parameter boleh disediakan) | ||||||
| Julat diameter aci d f8 | Diameter alur DH9 | Diameter langkah D1 H11 | Lebar alur L+0.2 |
Lebar sampingan L1 |
Sudut bulat Rmax |
Panjang chamfer Zmin |
| 100 ~ 229 | D+22.2 | D+10.7 | 6.3 | 4.2 | 1.2 | 6 |
| 230 ~ 299 | D+24.2 | D+10.7 | 6.3 | 4.2 | 1.2 | 8 |
| 300 ~ 629 | D+33.0 | D+15.1 | 8.1 | 6.3 | 1.2 | 10 |
| 630 ~ 1000 | D+36.5 | D+15.1 | 9.5 | 6.3 | 2 | 12 |
Permohonan:
Terutamanya digunakan dalam jentera pertanian, tekanan hidraulik, mesin pengacuan suntikan, sistem kawalan hidraulik, forklift, penekan roller, kren, pemuatan dan pemunggahan jentera, dll.











Alamat
No.1 Ruichen Road, Taman Perindustrian Dongliuting, Daerah Chengyang, Qingdao City, Provinsi Shandong, China
Tel