Kami komited untuk menyediakan penyelesaian triniti jangka panjang "tekanan perlindungan perlindungan" untuk setiap senario yang memerlukan giliran rotary. Melalui 200+ formula bahan dan paten struktur, kami membantu pelanggan mengurangkan kadar kegagalan dan mencapai pengoptimuman TCO. Seluruh siri model produk sangat pelbagai. Anda boleh memilih mengikut keperluan sebenar, atau menyesuaikan meterai putar berputar dari kami.
RCR101 Rotary Skeleton Single Lip Seal, Single Acting, Pemasangan Alur Terbuka Aksial, digunakan secara meluas, kebanyakannya digunakan sebagai elemen pelindung untuk galas.
RCR102 Rotary Skeleton Double Lip Seal, Single Acting, dengan bibir tambahan debu, pemasangan alur terbuka paksi, digunakan secara meluas, kebanyakannya digunakan sebagai elemen pelindung untuk galas.
RCR103 Rotary Seal, bertindak dua kali, dengan cincin sokongan, kesan pengedap yang lebih baik di bawah keadaan pengedap berputar tekanan tinggi.
RCR104, RCR105 Rotary Seal, bertindak dua, alur sempit, embedding alur stabil, dan permukaan pengedap bergigi.
RCR106, RCR107 V-Rotary Seal, Pergerakan paksi, modulus elastik yang besar, rintangan geseran, habuk, bahan pencemar, percikan air, percikan minyak, dll.
RCR108 Rotary Seal, Single Acting, No Spring, gangguan bibir dalaman dan luaran ditentukan mengikut keadaan kerja yang berbeza.
RCR109 O-ring, cincin elastik kebanyakannya digunakan untuk pengedap statik atau pengedap dinamik, pemilihan sederhana suhu fleksibel. Untuk alur terperinci, sila rujuk kepada sampel O-Ring.
RCR110 Rotary Tetrafluoroethylene Seal untuk aci, bertindak berganda, sesuai untuk alur sempit.
RCR111 Rotary Tetrafluoroethylene Seal untuk lubang, bertindak ganda, sesuai untuk alur sempit.
RCR112 Rotary Seal, bertindak dua, alur sempit, sesuai untuk keadaan kerja yang dilincirkan.
RCR113 Rotary Seal, bertindak berganda, dengan cincin sokongan, embedding alur stabil, yang membolehkan jurang penyemperitan dan tekanan yang lebih besar, kebanyakannya digunakan pada aci berputar peralatan penggalian.
RCR115 Rotary tetrafluoroethylene meterai untuk aci, bertindak ganda, geseran rendah, tekanan tinggi anti-sisi, kakisan suhu anti-tinggi.
RCR116 Rotary tetrafluoroethylene meterai untuk lubang, bertindak ganda, geseran rendah, tekanan tinggi anti-sisi, kakisan suhu anti-tinggi.
RCR117, RCR121 Rotary PTFE Seal, dengan musim bunga Mander, bertindak tunggal, rintangan kakisan suhu tinggi, sesuai untuk kelajuan tinggi dan tekanan tinggi.
RCR118 Akhir PTFE Rotary Seal, dengan Mander Spring, Single Acting, Rintangan Suhu Tinggi, kebanyakannya digunakan dalam industri kimia.
RCR119 Rotary Skeleton Single Lip Seal, Single Acting, Pemasangan Alur Terbuka Aksial, digunakan secara meluas, kebanyakannya digunakan sebagai elemen pelindung untuk galas.
RCR201, RCR202 Rotary Skeleton Double Lip Seal, Single Acting, dengan bibir tambahan debu, pemasangan alur terbuka paksi, digunakan secara meluas, kebanyakannya digunakan sebagai elemen pelindung untuk galas.
RCR203, RCR204 Rotary Skeleton-Free Single Lip Seal, Single Acting, Axial Open Groove Fixted Pemasangan Tetap, kebanyakannya digunakan dalam industri berat seperti metalurgi dan pembinaan kapal.
RCR205 Cut-Off Rotary Skeleton-Free Single Lip Seal, Single Acting, Axial Open Groove Fixted Pemasangan Tetap, kebanyakannya digunakan dalam industri berat seperti metalurgi dan pembuatan kapal.
RCR206, RCR207 Cut-Off Rotary bibir bibir tunggal, lakonan tunggal, pemasangan alur terbuka paksi pemasangan tetap, kebanyakannya digunakan dalam industri berat seperti metalurgi dan pembuatan kapal. Sesuai untuk pengedap berkelajuan rendah, medium pengedap adalah gris berasaskan lithium.
Ciri dan aplikasi produk:
Aplikasi utama
Mengubah meterai berputar sesuai untuk pengedap aci aci berputar, pengedap aci berputar, penggali, penggambaran, sendi putar, pengedar berputar, dan jenis meterai ini sering digunakan dalam industri petroleum dan kimia
Kelebihan
Menghidupkan meterai berputar mempunyai pelbagai jenis media dan suhu yang boleh disesuaikan, kesan pengedap yang baik, rintangan tekanan tinggi, saiz keratan rentas kecil, rintangan minyak hidraulik, geseran rendah, dan tiada fenomena slip.

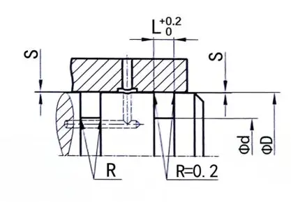
RCR101
Saiz pesanan
Φd ...... diameter luar
Φd ...... diameter dalaman
L ...... lebar alur
|
Kemasan permukaan |
R tmax (μm) |
RA (μm) |
|
Sliding permukaan yang sepadan dengan getah/meterai poliuretana Sliding Surface yang sepadan dengan meterai PTFE |
≤2.5
≤2 |
≤0.1-0.5
≤0.05-0.3 |
|
Alur bawah Sisi alur |
≤6.3 ≤15 |
≤1.6 ≤3 |
|
Nisbah Panjang Sokongan Profil TP |
50%-95% |
|
|
Toleransi |
|
|
Φd |
F8 |
|
Φd |
H8 |
Contoh pesanan
Model: RCR101
Saiz alur: 100x115x8
Bahan: NBR/POM

Jenis meterai: RCR101, RCR102
Permohonan Utama: Sesuai untuk Pengedap Akhir Aci Berputar
Kelebihan: Sesuai untuk pelbagai media, julat suhu yang luas, dan kesan pengedap yang baik
Bahan: Poliuretana, getah/polioksimetilena
|
Contoh alur meterai |
Berikut adalah dimensi alur standard (meterai putar dari sebarang saiz dalam julat saiz boleh dihasilkan) |
|||||
|
|
|
Φd |
Φd |
L |
c/s |
|
|
6-59.9 |
Φd+12 |
7 |
6 |
|||
|
60-139.9 |
Φd+15 |
8 |
7.5 |
|||
|
140-299.9 |
Φd+20 |
10 |
10 |
|||
|
300-499.9 |
Φd+30 |
12 |
15 |
|||
|
500-800 |
Φd+40 |
20 |
20 |
|||
|
> 800 |
Φd+50 |
22 |
25 |
|||

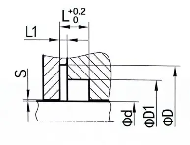
RCR115
Saiz pesanan
Φd ...... diameter luar
Φd ...... diameter dalaman
L ...... lebar alur
|
Kemasan permukaan |
R tmax (μm) |
RA (μm) |
|
Sliding permukaan yang sepadan dengan getah/meterai poliuretana Sliding Surface yang sepadan dengan meterai PTFE |
≤2.5
≤2 |
≤0.1-0.5
≤0.05-0.3 |
|
Alur bawah Sisi alur |
≤6.3 ≤15 |
≤1.6 ≤3 |
|
Nisbah Panjang Sokongan Profil TP |
50%-95% |
|
|
Toleransi |
|
|
Φd |
F8 |
|
Φd |
H8 |
Contoh pesanan
Model: RCR115
Saiz alur: 100x111x4.2
Bahan: PTFE4+NBR

Jenis meterai: RCR115
Permohonan utama: Sesuai untuk meterai aci berputar, penggali, penggambaran, sendi putar.
Kelebihan: Ia boleh menahan tekanan tinggi, mempunyai saiz keratan rentas kecil, tahan minyak hidraulik, mempunyai geseran yang rendah dan tidak ada fenomena slip.
Bahan: Tetrafluoroethylene + getah nitril atau fluororubber
|
Contoh alur meterai |
Berikut adalah dimensi alur standard (meterai putar dari sebarang saiz dalam julat saiz boleh dihasilkan) |
||||||||
|
|
|
Φd |
Φd |
L |
R |
X |
Jurang penyemperitan maksimum s |
||
|
100BAR |
200Bar |
||||||||
|
6-18.9 |
Φd+4.9 |
2.2 |
0.4 |
1.78 |
0.15 |
0.10 |
|||
|
19-37.9 |
Φd+7.5 |
3.2 |
0.6 |
2.62 |
0.20 |
0.15 |
|||
|
38-199.9 |
Φd+11 |
4.2 |
1.0 |
3.53 |
0.25 |
0.20 |
|||
|
200-255.9 |
Φd+15.5 |
6.3 |
1.3 |
5.33 |
0.30 |
0.25 |
|||
|
256-649.9 |
Φd+21 |
8.1 |
1.8 |
7.00 |
0.30 |
0.25 |
|||
|
> 650 |
Φd+28 |
9.5 |
2.5 |
8.40 |
0.45 |
0.30 |
|||

RCR116
Saiz pesanan
Φd ...... diameter luar
Φd ...... diameter dalaman
L ...... lebar alur
|
Kemasan permukaan |
R tmax (μm) |
RA (μm) |
|
Sliding permukaan yang sepadan dengan getah/meterai poliuretana Sliding Surface yang sepadan dengan meterai PTFE |
≤2.5
≤2 |
≤0.1-0.5
≤0.05-0.3 |
|
Alur bawah Sisi alur |
≤6.3 ≤15 |
≤1.6 ≤3 |
|
Nisbah Panjang Sokongan Profil TP |
50%-95% |
|
|
Toleransi |
|
|
Φd |
F8 |
|
Φd |
H8 |
Contoh pesanan
Model: RCR116
Saiz alur: 100x89x4.2
Bahan: PTFE4+NBR

Jenis meterai: RCR116
Permohonan utama: Sesuai untuk meterai akhir aci berputar, penggali, penggambaran, sendi berputar, pengedar berputar.
Kelebihan: Ia sesuai untuk pelbagai media dan suhu, mempunyai kesan pengedap yang baik, saiz keratan rentas kecil, rintangan kuat terhadap minyak hidraulik, geseran rendah, dan tidak ada fenomena slip.
Bahan: Tetrafluoroethylene + getah nitril atau fluororubber
|
Contoh alur meterai |
Berikut adalah dimensi alur standard (meterai putar dari sebarang saiz dalam julat saiz boleh dihasilkan) |
||||||||
|
|
|
Φd |
Φd |
L |
R |
O-ring |
Jurang penyemperitan maksimum s |
||
|
100BAR |
200Bar |
||||||||
|
8-39.9 |
Φd-4.9 |
2.2 |
0.4 |
1.78 |
0.15 |
0.10 |
|||
|
40-79.9 |
Φd-7.5 |
3.2 |
0.6 |
2.62 |
0.20 |
0.15 |
|||
|
80-132.9 |
Φd-11.0 |
4.2 |
1.0 |
3.53 |
0.25 |
0.20 |
|||
|
133-329.9 |
Φd-15.5 |
6.3 |
1.3 |
5.33 |
0.30 |
0.25 |
|||
|
330-669.9 |
Φd-21.0 |
8.1 |
1.8 |
7.00 |
0.30 |
0.25 |
|||
|
> 670 |
Φd-28.0 |
9.5 |
2.5 |
8.40 |
0.45 |
0.30 |
|||

RCR117
Saiz pesanan
Φd ...... diameter luar
Φd1 ...... diameter luar
Φd ...... diameter dalaman
L ...... lebar alur
L1 ...... lebar alur
|
Kemasan permukaan |
R tmax (μm) |
RA (μm) |
|
Sliding permukaan yang sepadan dengan getah/meterai poliuretana Sliding Surface yang sepadan dengan meterai PTFE |
≤2.5
≤2 |
≤0.1-0.5
≤0.05-0.3 |
|
Alur bawah Sisi alur |
≤6.3 ≤15 |
≤1.6 ≤3 |
|
Nisbah Panjang Sokongan Profil TP |
50%-95% |
|
|
Toleransi |
|
|
Φd |
F8 |
|
Φd |
H8 |
Contoh pesanan
Model: RCR117
Saiz Groove: 100x117.5x110.5x7.1x1.8
Bahan: PTFE4+V.

Jenis meterai: RCR117
Permohonan Utama: Sesuai untuk Pengedap Akhir Aci Berputar, jenis meterai ini sering digunakan dalam industri petroleum dan kimia
Kelebihan: geseran rendah, rintangan kakisan, rintangan suhu tinggi, sesuai untuk kelajuan tinggi
Bahan: PTFE, Spring Steel Stainless
|
Contoh alur meterai |
Berikut adalah dimensi alur standard (meterai putar dari sebarang saiz dalam julat saiz boleh dihasilkan) |
|||||||||
|
|
|
Φd |
Φd |
FD1 |
L |
L1 |
Jurang penyemperitan maksimum s |
|||
|
20Bar |
100BAR |
200Bar |
||||||||
|
5-19.9 |
Φd+9 |
Φd+5 |
3.6 |
0.85 |
0.25 |
0.15 |
0.10 |
|||
|
20-39.9 |
Φd+12.5 |
Φd+7 |
4.8 |
1.35 |
0.35 |
0.20 |
0.15 |
|||
|
40-399.9 |
Φd+17.5 |
Φd+10.5 |
7.1 |
1.8 |
0.50 |
0.25 |
0.20 |
|||
|
≥400 |
Φd+22 |
Φd+14 |
9.5 |
2.8 |
0.60 |
0.30 |
0.25 |
|||



















































Alamat
No.1 Ruichen Road, Taman Perindustrian Dongliuting, Daerah Chengyang, Qingdao City, Provinsi Shandong, China
Tel