Kami memberi tumpuan kepada keperluan pelbagai dalam bidang anjing laut omboh dan menyediakan penyelesaian prestasi tinggi yang meliputi semua senario hidraulik dan pneumatik. Barisan produk kami dibahagikan kepada satu bertindak dan bertindak dua kali sebagai teras, menggabungkan inovasi bahan dan pengoptimuman struktur untuk memenuhi cabaran pengedap dari industri konvensional ke keadaan kerja yang melampau:
1. Highlights Seal Piston Turning Seal Series:
Tekanan tinggi dan anti-ekstrusi: siri RCK102/102R/104 direka untuk tekanan tinggi, dan struktur sokongan diperkuat untuk menyesuaikan diri dengan jurang yang besar dan alur sempit. RCK109H/120/122 dan segel gabungan lain mengintegrasikan cincin panduan dan elastomer untuk memecahkan had tekanan tinggi 35MPA+, terutamanya sesuai untuk jentera perlombongan dan berat.
Kesesuaian dinamik: RCK108/125/138 menggunakan bahan tetrafluoroethylene untuk mencapai pengedap yang stabil dari kelajuan yang sangat rendah ke kelajuan tinggi (0.01 ~ 5m/s), dan ciri -ciri geseran yang rendah sesuai untuk berjalan hidraulik dan peralatan suntikan ketepatan.
Toleransi Alam Sekitar Extreme: RCK119/139 dilengkapi dengan Mander Spring dan bahan PTFE, yang tahan kakisan dan tahan kering. Julat suhu luas -40 ℃ ~ 200 ℃ Meliputi bahan kimia, reaktor suhu tinggi farmaseutikal dan garisan pengeluaran aseptik makanan.
2. Reka bentuk yang disesuaikan industri:
Penyelenggaraan dan Pengubahsuaian: RCK116/216 memudahkan proses pemasangan dan menyesuaikan diri dengan keperluan pembaikan silinder lama dan penggantian cepat peralatan pengisian makanan.
Pengasingan Dual Medium: RCK144/145 mempunyai struktur bibir ganda asal, yang boleh menutup minyak/air atau gas/media campuran cecair pada masa yang sama, sesuai untuk keadaan kerja yang kompleks.
Pengoptimuman strok pendek: RCK103/143 meningkatkan kestabilan embedding melalui preload O-ring untuk mengelakkan risiko kebocoran dalam silinder hidraulik pendek.
3. Kelebihan Teknologi Teras:
Sains Bahan: Reka bentuk penyimpanan minyak poliuretana (RCK205) memanjangkan hayat pneumatik bebas pelinciran, dan tetrafluoroethylene (RCK108) mengambil kira kedua-dua rintangan dan rintangan kimia.
Inovasi Struktur: Cincin Panduan Back-to-Back (RCK101), menyokong cincin anti-twist (RCK120) dan reka bentuk lain memastikan ketahanan meterai di bawah getaran dan beban eksentrik.
Kami komited untuk menyediakan penyelesaian bersepadu "meterai yang tahan api" untuk 20+ industri seperti jentera perlombongan, peralatan pengacuan suntikan, dan peranti perubatan, mengimbangi kos dan prestasi dengan modul standard dan perkhidmatan tersuai, membantu pelanggan mengurangkan kos penyelenggaraan dan meningkatkan kebolehpercayaan peralatan.
Ciri dan aplikasi produk:
Meterai Piston Seal sesuai untuk silinder hidraulik dan silinder, silinder hidraulik standard dan jentera hidraulik berjalan. Aplikasi utama termasuk jentera pembinaan, jentera pertanian, kren, dan silinder standard.
Apabila digunakan dalam industri kimia, ia biasanya digunakan untuk silinder cepat dan jentera kedudukan. Ia juga boleh digunakan dalam industri makanan, industri farmaseutikal, dan akumulator.
Kelebihan
Meterai meterai meterai piston tertanam di dalam alur stably, dengan prestasi pengedap dinamik dan statik yang baik, tidak memerlukan cincin panduan tambahan, geseran yang rendah, tiada fenomena rayap hidraulik, rintangan haus yang tinggi, prestasi anti-ekstrusi yang baik, kekonduksian terma yang baik, pelbagai suhu yang berkenaan, dan keupayaan minyak sisa yang kuat di bawah keadaan yang dinamik.

RCK101
Saiz pesanan
Φd ...... diameter luar
Φd ...... diameter dalaman
L ...... lebar alur
|
Kemasan permukaan |
R tmax (μm) |
RA (μm) |
|
Sliding permukaan yang sepadan dengan getah/meterai poliuretana Sliding Surface yang sepadan dengan meterai PTFE |
≤2.5
≤2 |
≤0.1-0.5
≤0.05-0.3 |
|
Alur bawah Sisi alur |
≤6.3 ≤15 |
≤1.6 ≤3 |
|
Nisbah Panjang Sokongan Profil TP |
50%-95% |
|
|
Toleransi |
|
|
Φd |
H10 |
|
Φd |
H9 |
Contoh pesanan
Model: RCK101
Saiz alur: 100x84x10
Bahan: RC-PU-H

Jenis meterai: RCK101, RCK102, RCK103, RCK104, RCK105, RCK205, RCK106, RCK107, RCK108, RCK118, RCK127
Aplikasi utama: Sesuai untuk silinder hidraulik dan pneumatik
Kelebihan: Ia stabil apabila tertanam di dalam alur, mempunyai prestasi pengedap dinamik dan statik yang sangat baik, boleh digunakan untuk julat suhu yang luas, dan mempunyai keupayaan pulangan minyak sisa yang kuat di bawah keadaan dinamik.
Bahan: poliuretana, getah
|
Contoh alur meterai |
Berikut adalah dimensi alur standard (meterai habuk dari sebarang saiz dalam julat saiz boleh dihasilkan) |
||||||||
|
|
|
Φd |
Φd |
L |
c/s |
Jurang penyemperitan maksimum |
|||
|
100BAR |
250BAR |
400BAR |
|||||||
|
5-24.9 |
Φd-8 |
6 |
4 |
0.5 |
0.35 |
0.25 |
|||
|
25-49.9 |
Φd-10 |
7 |
5 |
0.5 |
0.35 |
0.25 |
|||
|
50-74.9 |
Φd-12 |
8 |
6 |
0.5 |
0.35 |
0.25 |
|||
|
75-149.9 |
Φd-16 |
10 |
8 |
0.5 |
0.35 |
0.25 |
|||
|
150-299.9 |
Φd-20 |
12 |
10 |
0.5 |
0.35 |
0.25 |
|||
|
300-500 |
Φd-24 |
18 |
12 |
0.5 |
0.35 |
0.25 |
|||
|
500-750 |
Φd-30 |
20 |
15 |
0.6 |
0.40 |
0.30 |
|||
|
> 750 |
Φd-40 |
26 |
20 |
0.7 |
0.45 |
0.35 |
|||

RCK108
Saiz pesanan
Φd ...... diameter luar
Φd ...... diameter dalaman
L ...... lebar alur
|
Kemasan permukaan |
R tmax (μm) |
RA (μm) |
|
Sliding permukaan yang sepadan dengan getah/meterai poliuretana Sliding Surface yang sepadan dengan meterai PTFE |
≤2.5
≤2 |
≤0.1-0.5
≤0.05-0.3 |
|
Alur bawah Sisi alur |
≤6.3 ≤15 |
≤1.6 ≤3 |
|
Nisbah Panjang Sokongan Profil TP |
50%-95% |
|
|
Toleransi |
|
|
Φd |
H10 |
|
Φd |
H9 |
Contoh pesanan
Model: RCK108
Saiz Groove: 100x84.5x6.3
Bahan: PTFE3+NBR

Jenis meterai: RCK108, RCK125, RCK140, RCK238, RCK138
Aplikasi utama: Silinder hidraulik standard dan jentera hidraulik mudah alih
Kelebihan: Geseran rendah, tiada rayapan hidraulik, rintangan haus yang tinggi, prestasi anti-ekstrusi yang baik, kekonduksian terma yang baik, alur embedding stabil, pelbagai suhu yang luas.
Bahan: Tetrafluoroethylene + getah nitril atau getah fluorin, poliuretana kekerasan ultra tinggi + getah nitril
|
Contoh alur meterai |
Berikut adalah dimensi alur standard (meterai habuk dari sebarang saiz dalam julat saiz boleh dihasilkan) |
||||||||
|
|
|
Φd |
Φd |
L |
c/s |
Jurang penyemperitan maksimum |
|||
|
100BAR |
250BAR |
400BAR |
|||||||
|
8-14.9 |
Φd-4.9 |
2.2 |
2.45 |
0.30 |
0.20 |
0.15 |
|||
|
15-39.9 |
Φd-7.5 |
3.2 |
3.75 |
0.40 |
0.25 |
0.15 |
|||
|
40-79.9 |
Φd-11 |
4.2 |
5.5 |
0.40 |
0.25 |
0.20 |
|||
|
80-132.9 |
Φd-15.5 |
6.3 |
7.75 |
0.50 |
0.30 |
0.20 |
|||
|
133-329.9 |
Φd-21 |
8.1 |
10.5 |
0.60 |
0.35 |
0.25 |
|||
|
330-669.9 |
Φd-24.5 |
8.1 |
12.25 |
0.60 |
0.35 |
0.25 |
|||
|
670-1000 |
Φd-28 |
9.5 |
14 |
0.70 |
0.50 |
0.30 |
|||
|
> 1000 |
Φd-38 |
13.8 |
19 |
1.00 |
0.70 |
0.60 |
|||

RCK109N
Saiz pesanan
Φd ...... diameter luar
Φd ...... diameter dalaman
Φd1 ...... diameter dalaman
L ...... lebar alur
L1 ...... lebar alur
|
Kemasan permukaan |
R tmax (μm) |
RA (μm) |
|
Sliding permukaan yang sepadan dengan getah/meterai poliuretana Sliding Surface yang sepadan dengan meterai PTFE |
≤2.5
≤2 |
≤0.1-0.5
≤0.05-0.3 |
|
Alur bawah Sisi alur |
≤6.3 ≤15 |
≤1.6 ≤3 |
|
Nisbah Panjang Sokongan Profil TP |
50%-95% |
|
|
Toleransi |
|
|
Φd |
H10 |
|
Φd |
H9 |
Contoh pesanan
Model: RCK109N
Saiz Groove: 100x80x95x25/36
Bahan: RC-PU-H+NBR+POM

Jenis meterai: RCK109, RCK117
Permohonan utama: jentera pembinaan, jentera pertanian, kren, silinder standard
Kelebihan: Pengedap statik dan dinamik yang sangat baik, tidak memerlukan cincin panduan tambahan, anti-ekstrusi, struktur anti-distorsi, sesuai untuk keadaan kerja dengan perubahan tekanan pesat.
Bahan: poliuretana, getah, poliuretana, tetrafluoroetilena
|
Contoh alur meterai |
Berikut adalah dimensi alur standard (meterai habuk dari sebarang saiz dalam julat saiz boleh dihasilkan) |
||||||
|
|
|
Φd |
Φd |
FD1 |
L |
L1 |
|
|
20-44.9 |
Φd-10 |
Φd-3 |
12.5 |
20.5 |
|||
|
50-79.9 |
Φd-15 |
Φd-4 |
20 |
28 |
|||
|
80-144.9 |
Φd-20 |
Φd-5 |
25 |
36 |
|||
|
150-399.9 |
Φd-25 |
Φd-6 |
32 |
46 |
|||
|
400-750 |
Φd-30 |
Φd-8 |
36 |
50 |
|||
|
> 750 |
Φd-40 |
Φd-8 |
40 |
54 |
|||

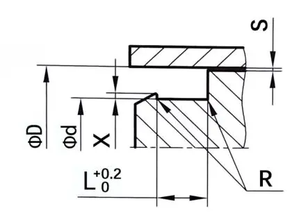
RCK119
Saiz pesanan
Φd ...... diameter luar
Φd ...... diameter dalaman
L ...... lebar alur
|
Kemasan permukaan |
R tmax (μm) |
RA (μm) |
|
Sliding permukaan yang sepadan dengan getah/meterai poliuretana Sliding Surface yang sepadan dengan meterai PTFE |
≤2.5
≤2 |
≤0.1-0.5
≤0.05-0.3 |
|
Alur bawah Sisi alur |
≤6.3 ≤15 |
≤1.6 ≤3 |
|
Nisbah Panjang Sokongan Profil TP |
50%-95% |
|
|
Toleransi |
|
|
Φd |
H10 |
|
Φd |
H9 |
Contoh pesanan
Model: RCK119
Saiz Groove: 100x90.6x7.1
Bahan: ptfe4 + v

Jenis meterai: RCK119
Aplikasi utama: industri kimia, silinder cepat dan jentera kedudukan, industri makanan, industri farmaseutikal, akumulator.
Kelebihan: Tahan suhu tinggi dan pelbagai media kimia, pekali geseran yang rendah, tiada rayapan, ciri geseran kering yang baik, nilai geseran statik dan dinamik yang rendah.
Bahan: PTFE+Spring Leaf
|
Contoh alur meterai |
Berikut adalah dimensi alur standard (meterai habuk dari sebarang saiz dalam julat saiz boleh dihasilkan) |
|||||||||
|
|
|
Φd |
Φd |
L |
R |
X |
Jurang penyemperitan maksimum s |
|||
|
100BAR |
250BAR |
400BAR |
||||||||
|
14-24.9 |
D-4.5 |
3.6 |
0.4 |
0.6 |
0.15 |
0.10 |
0.07 |
|||
|
25-45.9 |
D-6.2 |
4.8 |
0.6 |
0.7 |
0.20 |
0.15 |
0.08 |
|||
|
46-124.9 |
D-9.4 |
7.1 |
0.8 |
0.8 |
0.25 |
0.25 |
0.10 |
|||
|
125-1000 |
D-12.2 |
9.5 |
0.8 |
0.9 |
0.30 |
0.30 |
0.12 |
|||
|
> 1000 |
D-19.0 |
15 |
0.8 |
0.9 |
0.50 |
0.50 |
0.20 |
|||























































































Alamat
No.1 Ruichen Road, Taman Perindustrian Dongliuting, Daerah Chengyang, Qingdao City, Provinsi Shandong, China
Tel